Rating: 1 A 125 V CA / 0,5 A 250 V CA
Alloggiamento pressofuso in lega di zinco e cilindro in plastica
Standard cromato lucido
Chiavi in ottone, nichelate, con coperchio in plastica
Prelievo chiave in tre posizioni
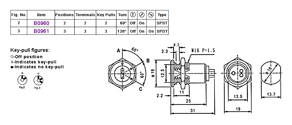
3 posizioni (off-on) 3 terminali











