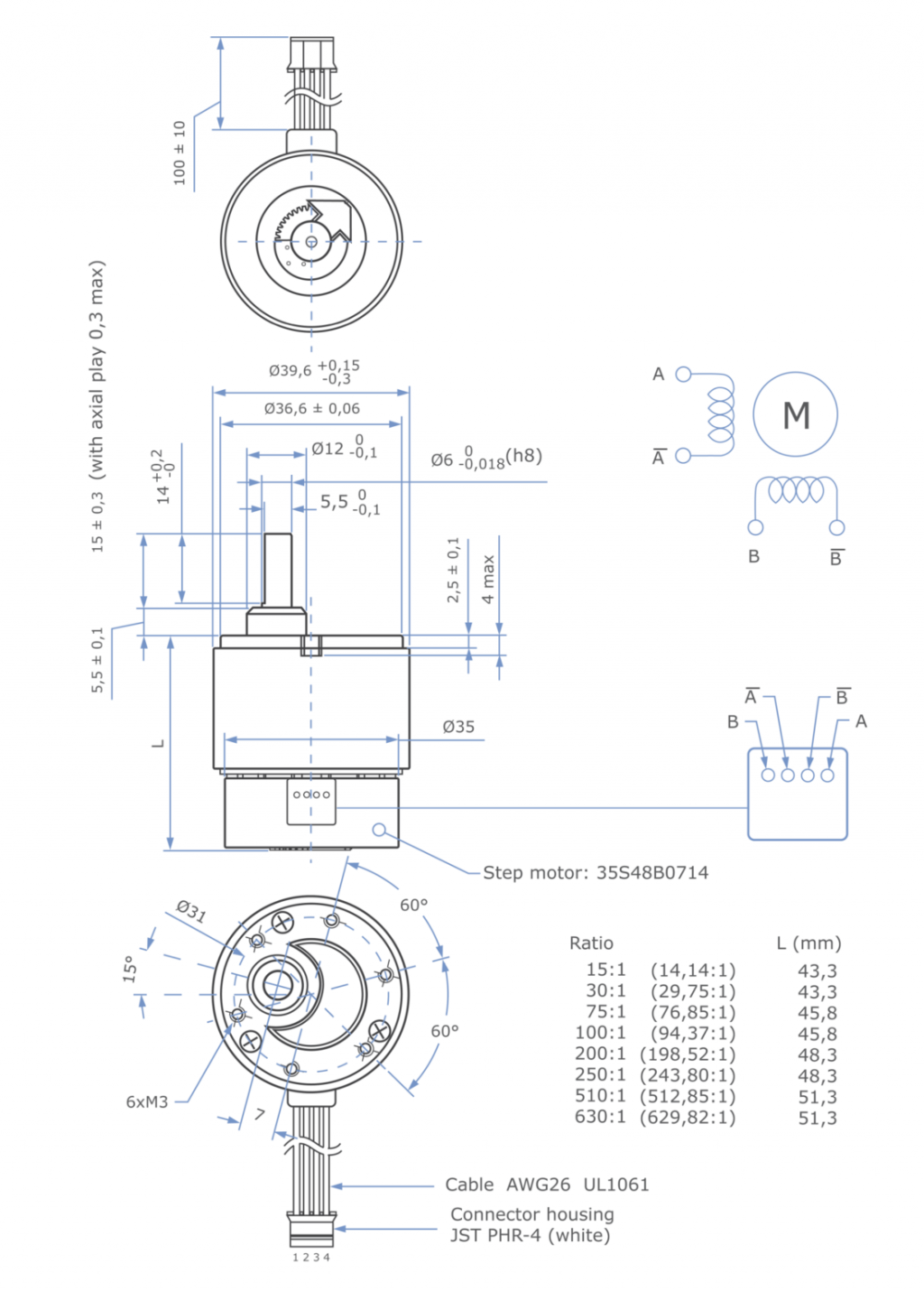
MOTORE PASSO-PASSO 35S48B07 con riduttore 158
Motor Step Angle: 7,5° full step
Number of Phases: 2 bipolar
Insulation resistance: 100MΩ 500Vdc
Nominal Voltage: 12V
Driver voltage range: 3.75-36V
Max acial/radial shaft load: 10N /50N
Max allowed torque: 100Ncm
Max current (continuous): 250mA
Max Current (intermittent): 500mA
Operating temperature: -20°C / +65°C
Approx Weight: 160g




